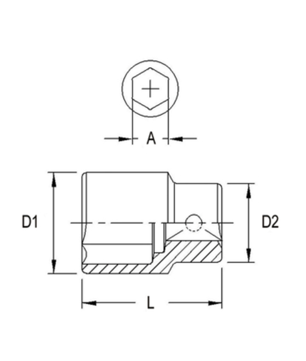
Tubulara scurta 3/4" - 22mm in 6 colturi Genius Tools
Tubulara scurta 3/4" - 22mm in 6 colturi Genius Tools
27,32 Lei
														
											- 
									Cod produs:625222
 - 
									Garantie:24 luni persoane fizice
12 luni persoane juridice - 
									Disponibilitate:In stoc
 - 
									Comenzi telefonice:
 - 
									Livrare:Livrare 1-3 zile
 
Deschidere colet la livrare
							Puteti returna produsul in 14 zile
						- Descriere produs
 - Recenzii
 - Specificatii
 
	Tubulara scurta 3/4" - 22mm in 6 colturi Genius Tools 
	Utilizati intotdeauna tipul si marimea potrivita a soclului si asigurati-va ca se fixeaza bine pe dispozitivul de fixare. 
	O fixare supradimensionata sau necorespunzatoare poate provoca alunecari si vatamari, precum si uzura atat la priza, cat si la fixare.
	Alegeti intotdeauna dimensiunea corecta a unitatii atunci cand lucrati cu clichet. 
	Trageti intotdeauna  instrumentele spre dumneavoastra. Nu impingeti.
	Intotdeauna mentineti clichetul curat. Mizeria tinde sa se acumuleze in timp in capul cu clichet si, daca nu este curatata corespunzator, poate provoca defectiuni mecanice si, eventual, spargerea pieselor.
	Nu utilizati prize sau accesorii deteriorate sau uzate.
	Nu folositi tubulara pentru sculele de impact sau cele electrice.
	Nu aplicati forta excesiva atunci cand utilizati reductoare pentru a evita strangerea dispozitivului de fixare.
	Nu utilizati tevi sau alte extensii pentru a mari parghia de pe manerul cu clichet sau balamale. Acest lucru poate cauza ruperea brusca si  provoca vatamari corporale.
				Specificatii
					Culoare
																		
										Gri																			
									
								Antrenare
																		
										3/4"																			
									
								Destinat uzului
																		
										Profesional																			
									
								Finisaj
																		
										Lucios																			
									
								Material
																		
										Crom-Vanadium																			
									
								Marca
																		
										Genius Tools Canada																			
									
								Greutate
																		
										270 Gr.																			
									
								Colturi
																		
										6 colturi																			
									
								
							
						
					













